THUNDERCAT - YZF600R 1999
FAHRWERK
AUSLASS
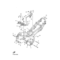
RAHMEN
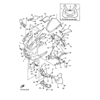
KOTFLUGEL
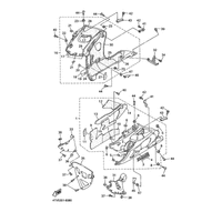
SEITENDECKEL
HINTERRADSCHWINGE
HINTERRADAUFHANGUNG
LENKUNG
VORDERRADGABEL
KRAFTSTOFFTANK
SITZ
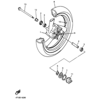
VORDERRAD
VORDERRAD BREMSSATTEL
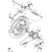
HINTERRAD
HINTERRAD BREMSSATTEL
LENKER & KABEL
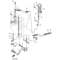
VORDERER HAUPTBREMSZYLINDER
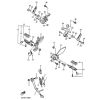
STAENDER & FUSSRASTE
HINTERER HAUPTBREMSZYLINDER
MOTORVERKLEIDUNG 1
MOTORVERKLEIDUNG 2
BLINKLEUCHTE
METER
SCHEINWERFER
SCHLUSSLEUCHTE
LENKERSCHALTER & HEBEL
ELEKTRISCHE AUSRUESTUNG 1
ELEKTRISCHE AUSRUESTUNG 2
